Алматы, 050025 мкр. Калкаман-2, ул. Талжанова, дом 54

Делаем жизнь людей
Счастливой и Комфортной!

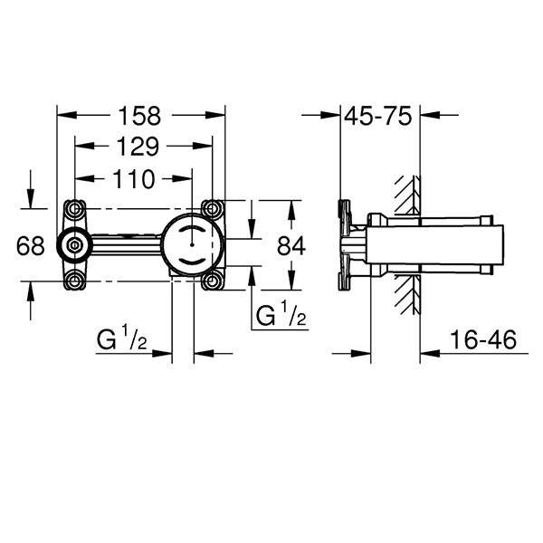
Скрытая монтажная часть для смесителя на 2 отверстия Grohe 23571000

(2)
Код товара: 23571000
Наличие: Много
Grohe
166 100 ₸ / шт.
До конца акции осталось:
00дн.
00час.
00мин.
Скрытая монтажная часть для смесителя на 2 отверстия Grohe 23571000
Полное описание
Коллекция Eurostyle new
Страна-производства Германия
Цвет Синий (верный)
Вес, кг(за шт) 1.33
Объем, м^3( за шт) 0.00634
Тип монтажа скрытый
Подарок при покупке
Дарим подарок при покупке данного товара
Выбрать подарок

Скрытая монтажная часть Grohe 23571000 для встраиваемого смесителя (2 отверстия)

Скрытая часть Grohe 23571000 предназначена для установки встраиваемого смесителя на два отверстия. Это универсальное монтажное решение обеспечивает надежную фиксацию и долговечную работу смесителя, оставаясь при этом скрытым за отделкой. Подходит для смесителей с выносным изливом и ручкой управления, обеспечивая современный минималистичный вид ванной комнаты или кухни.

Особенности и преимущества:

Надежная латунная конструкция, устойчивая к коррозии и перепадам давления

Совместима с различными моделями встраиваемых смесителей GROHE

Удобная и быстрая установка благодаря системе GROHE QuickFix®

Включает корпус с крепежными элементами для настенного монтажа

Обеспечивает легкий доступ к элементам технического обслуживания

Технические характеристики:

Артикул: 23571000

Назначение: скрытая часть для смесителя на 2 отверстия

Подключение: стандартное, G ½

Материал: латунь

Страна бренда: Германия

Гарантия: 5 лет

Grohe 23571000 — это основа для создания аккуратного и функционального пространства в ванной комнате с сохранением всех преимуществ надежного немецкого качества.

Документы

Eurostyle new
Страна-производства Германия
Синий (верный)
Вес, кг(за шт) 1.33
Объем, м^3( за шт) 0.00634
Тип монтажа скрытый
Подберите похожие по характеристикам товары, выбрав одно или несколько свойств
Выбрано: 0

, .

(-). 18 21.00 ( , 18.00), ( 18.00).

. . .

Grohe
GROHE - ведущий мировой бренд комплексных решений для ванных комнат и кухонного оборудования, в котором в общей сложности работает более 6000 сотрудников, 2400 из которых находятся в Германии. GROHE является частью корпорации LIXIL Group с 2014 года. Как международный бренд, GROHE следует таким ценностям бренда, как технологии, качество, дизайн и экологичность, стремясь предложить «Чистое удовольствие от воды». GROHE с момента своего основания разрабатывает новые категории продуктов. Сюда входят водные системы GROHE Blue и Red, а также недавно представленная система водной безопасности GROHE Sense, которая является инновационным компонентом на растущем рынке технологий для умного дома. Инновации, дизайн и разработка тесно связаны друг с другом и закреплены на немецком предприятии как единый процесс. В результате продукция GROHE отмечена знаком качества «Сделано в Германии». Только за последние десять лет компания GROHE была удостоена более 300 наград за дизайн и инновации, а также получила несколько высших оценок в качестве одного из «самых устойчивых крупных брендов Германии», что подтверждает успех бренда. Компания GROHE первой в своей отрасли получила приз правительства Германии в области корпоративной социальной ответственности, а также вошла в рейтинг 50 лучших компаний, которые меняют мир, по версии известного журнала Fortune®.


0
Корзина
Ваша корзина пуста
Выберите в каталоге интересующий товар и добавьте его «В корзину».
Перейти в каталог